





| Verze | pro použití s přírubou |
|---|---|
| Barva/povrchová úprava | Zinek |
| Rozsah použití | pro dřevěné zárubně,pro bezfalcové a falcové vnitřní dveře |
| Materiál | Ocel |
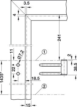
| Vrtáky | 7,20 mm |
| Poznámka k montáži | pro použití s přírubou |
| Montáž | Pro použití na DIN levé a DIN pravé straně |
| Průměr patice | 15,00 mm |
| Šířka dveří max. | 1.000,00 mm |
| Typ ložiska | Kluzné ložisko, bezúdržbové |
| Délka patice | 35,50 mm |