








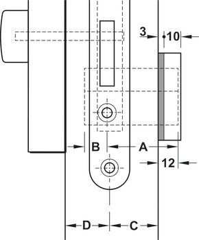
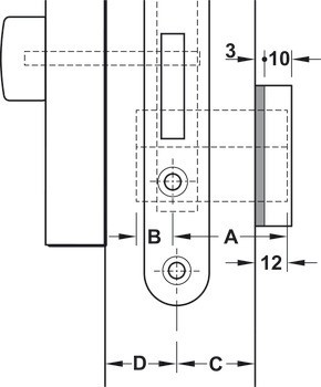
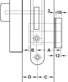
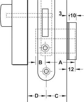
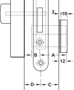
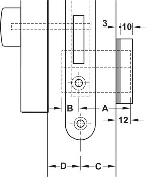
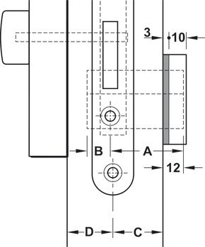
| Rozsah použití | | Rozměr C profilové vložky může být pro tenké dveře příliš dlouhý. V takovém případě lze použít distanční podložku pro kompenzaci přesahu (max. 3 mm) | pro kompenzaci v případě nedostatečné tloušťky dveří a následně menšího rozměru C |
|---|---|
| Materiál | Nerez |
| Barva/povrchová úprava | | Černý | leštěné | matný | Barva mosazi, leštěné |
| Tloušťka | | 3.0 mm | 3,00 mm | 3,0 mm |
| Poznámka | Kompenzace pomocí distanční podložky Pokud jsou dveře příliš tenké, lze volitelně použít distanční podložku 3 mm. To znamená, že jsou možné menší rozměry C. Minimální rozměr vložky (rozměr A) se při použití fólie na zaslepenou rozetu nemění a při použití fólie na PZ rozetu se zvětší o 3 mm.Rozměr B max. = rozměr D - 2 mm |
| Poznámka | Paniková funkceU panikové funkce dveří otevíraných dovnitř a ven zohledněte rozdílný rozměr C.(1) Paniková funkce dovnitř(2) Paniková funkce ven(3) Veřejnost(4) Hotelový pokoj |