






| Verze | | Středový sloupek relingu nástavby |
|---|---|
| Materiál | | Nerez, třída 1.4301/AISI 304 |
| Barva/povrchová úprava | | matně kartáčované |
| Rozsah použití | | pro reling nástavby 8 x 8 mm |
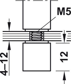
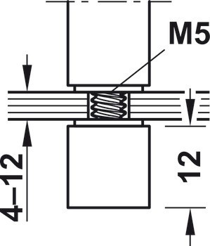
| Montáž | | Montáž na dřevo | Závitové pouzdro |
| Poznámka k montáži | | Reling nástavby je nalepen na díl k přišroubování |