Zavřít
Pobočky
Přihlášení
0
0,00 €
Váš seznam je zatím prázdný.
0
Menu
Úchytky
Nábytkové úchytky a knobky
Okenní kliky
Dveřní kliky
Bezpečnostní kování
Nábytkové kování
Příslušenství dveří, Dorazy
Koupelnové doplňky a sanita
Nábytkové závěsy
Vybavení prodejen
Řešení pro domov a život
Věšáky na šaty a věšáky do šatních skříní
Postelová kování
Kování do šatních skříní a úložných prostor
Multimediální archiv
Žebříky do knihoven
Zámky, Záskočky a zástrče
Nábytkové zámky a zamykací systémy
Nábytkové záskočky a zástrče
Trezory a skříně na zbraně
Výklopná kování a klopny
Stolová kování, Nohy, Nohy a kolečka
Stolové nohy, Nábytkové nohy a mechanismy nastavení
Stolová kování
Nábytkové kluzáky a kolečka
Spojovací kování a podpěrky polic
Spojovací kování
Podpěrky polic a konzole
Kování pro kanceláře a vybavení obchodů
Systém kancelářského stolového podnoží
Organizace kanceláře
Kancelářské židle
Akustická a pohledová ochrana
Zásuvky, Zásuvkové systémy a výsuvy
Zásuvkové výsuvy
Zásuvkové systémy
Vložky do zásuvky
Vybavení kuchyní
Dřezy a kuchyňské baterie
Spotřebiče
Malé spotřebiče
Myčky
Chlazení a mražení
Větrací mřížky a systémy
Pracovní desky a záda
Úložné prostory a příslušenství do kuchyně
Nakládání s odpadky
Osvětlení & elektro
Osvětlení
Zdvihací mechanismy do korpusu, TV zdvihy a držáky
Elektrické příslušenství
Systémy pro TV a multimédia
Posuvné kování
Systémy posuvných stěn
Kování pro posuvné a skládací nábytkové dveře
Stavební kování pro posuvné a skládací dveře
Obvodový plášť budovy
Stavební kování
Skleněné dveře & Kování pro skleněné dveře
Dveřní zavírače
Stavební vybavení
Zamykací systémy
Zámky a závory
Kování pro panikové uzávěry
Řízení kontroly vstupu
Příslušenství dveří
Dveřní závěsy
Nářadí & příslušenství
Údržba & Balení
Péče o povrchy & Opravy
Ochranné pomůcky & Pracovní oděvy
Těsnicí hmoty & Lepidla
Lepidla
Těsnicí hmoty
Pásky
Šrouby
Upevňovací materiál
Nářadí a Příslušenství
Ruční nářadí a přípravky
Elektrické nářadí
Vrtáky, bity, pilové plátky
Žebříky, Pracovní stoly a úložné prostory
Brusný materiál
Úvodní strana
/
Stavební kování
/
Příslušenství dveří
/
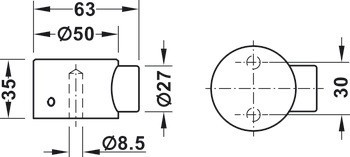
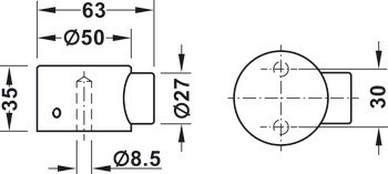
Dveřní doraz montovaný na podlahu, 2110, k přišroubování, KWS
+ 4
Dveřní doraz montovaný na podlahu, 2110, k přišroubování, KWS
-- vyberte --
Délka
-- vyberte --
Materiál
-- vyberte --
Barva/povrchová úprava
-- vyberte --
Výška
Zrušit filtry
Obsah balení
Upevňovací materiál obsažen
Varianty produktu
Dveřní doraz montovaný na podlahu, 2110, k přišroubování, KWS
Délka: 63.00 mm,
Materiál: Nerez,
Barva/povrchová úprava: matný,
Výška: 35.00 mm
Kód: 937.52.300
Skladem u dodavatele
-
+
141,56 €
za 1 ks bez DPH
Na seznam
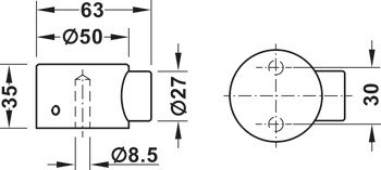
Dveřní doraz montovaný na podlahu, 2110, k přišroubování, KWS
Délka: 63,00 mm,
Materiál: Hliník,
Barva/povrchová úprava: Barva stříbra, elox,
Výška: 35,00 mm
Výprodej
Kód: 937.61.401
Skladem u dodavatele
-
+
106,85 €
za 1 ks bez DPH
Na seznam
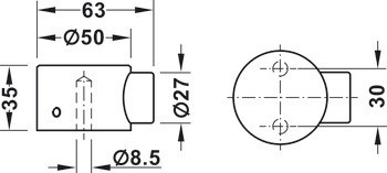
Parametry
Verze
| S pružinovým dorazem, černý
Délka
| 63,00 mm | 63.00 mm
Montáž
| K přišroubování
Materiál
| Nerez | Hliník
Barva/povrchová úprava
| Barva stříbra, elox | matný
Výška
| 35,00 mm | 35.00 mm
Model
| 2110
4x vzorkovna Häfele na Slovensku
Otevřeno každý pracovní den od 7:00.
Pobočky
Katalogy
Nábytkové kování Häfele
Stavební katalog Häfele
Brožury Häfele
O portálu
Provozovatel portálu
Jak používat portál
Sortiment
Úchytky
Nábytkové kování
Vybavení kuchyní
Osvětlení a elektro
Posuvné kování
Stavební kování
Nářadí a příslušenství
Pobočky
Špačince
Žilina
Ličartovce
Sielnica
Česko
Slovensko
© 2026, JAF HOLZ Slovakia s r.o.
Profesionální e-shop na míru