




1 vložka (oboustranná, jednostranná nebo s knobkou)
3 klíče
1 upevňovací šroub M5 x 60 mm



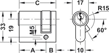
| Norma | v souladu s DIN 18252-70 a EN 1303 |
|---|---|
| Uzamykací série | Je možných až 15000 různých uzamykacích sérií |
| Typ uzávěru | s 5 pinovými stavítky |
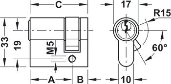
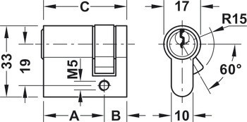
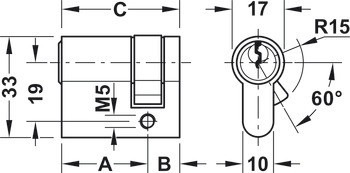
| Délka vložky vně | | 40,00 mm | 30,00 mm | 35,0 mm |
| Délka vložky uvnitř | 10,00 mm | 10,0 mm |
| Celková délka vložky | | 40,00 mm | 50,00 mm | 45,0 mm |
| Materiál těla vložky | Mosaz |
| Barva/povrchová úprava těla vložky | Černý, nikl |
| Výška vložky | 33,00 mm | 33,0 mm |