




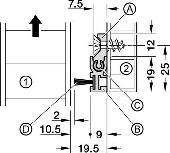
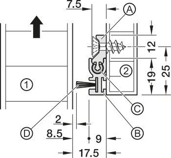
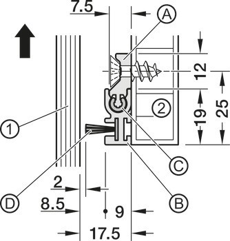
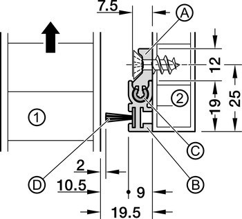
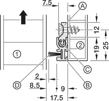
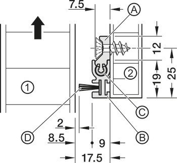
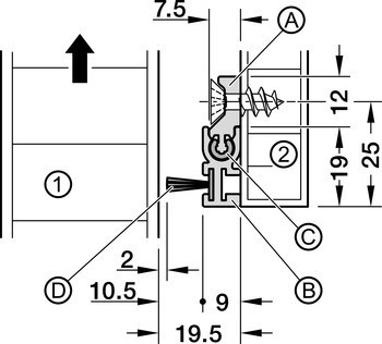
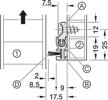
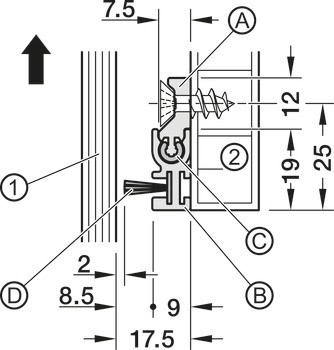
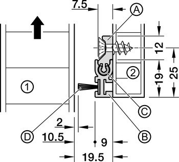
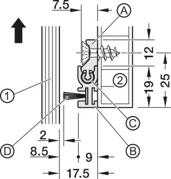
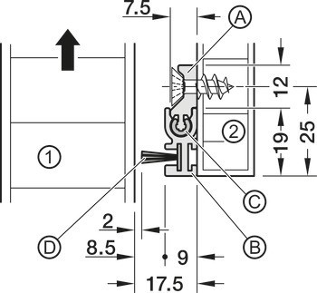
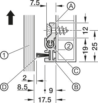
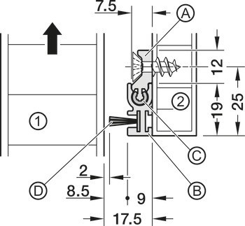
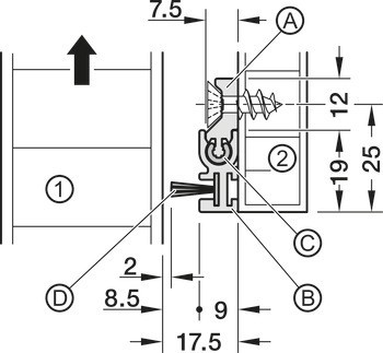
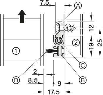
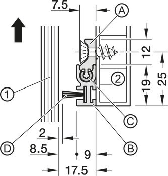
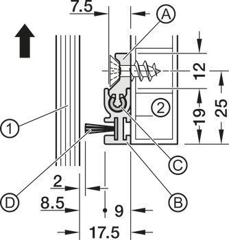
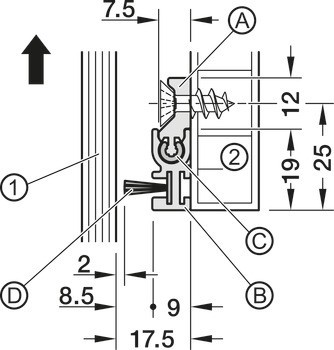
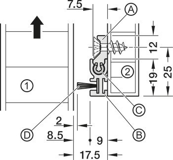
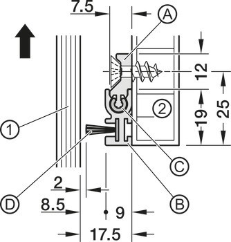
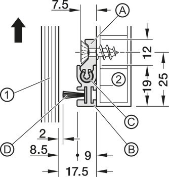
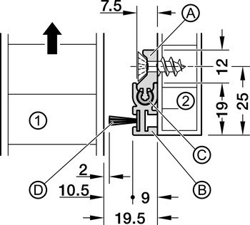
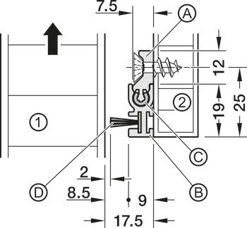
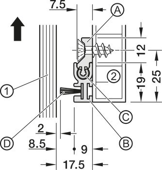
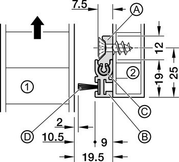
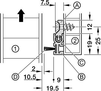
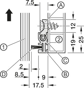
1 kartáčové těsnění (šedé)
1 kartáčový profil
1 montážní profil
Montážní klipy (množství podle délky)





| Rozsah použití | Pro řešení kapsy ve stěně se dřevěnými a skleněnými dveřmi |
|---|---|
| Montáž | Předmontujte montážní profil ⓐ na opláštění (2), nasuňte kartáčové těsnění ⓓ na profil panelu ⓑ a pomocí montážních klipů nalisujte do montážního profilu. Montážní klipy ⓒ jsou připevněny v jednotlivých bodech po celé délce. |
| Materiál | Hliník |
| Barva/povrchová úprava | | Barva stříbra, elox | Čistě bílá, RAL 9010, prášková barva, matný |
| Délka | | 2,000 mm | 2,500 mm | 3,000 mm |
| Popis v tabulce součástí | kartáčové těsnění pro řešení dveří do kapsy |