




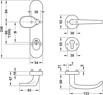
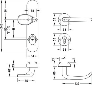
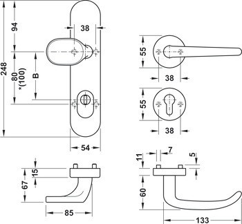
1 PZ vnější štít
1 Dveřní koule
1 PZ vnitřní rozeta
1 Klika s otvorem pro čtyřhran připevněná na rozetě
1 Adaptér čtyřhranu 8 x 90 mm
4 Závitové šrouby M5 x 45 mm
4 Závitové šrouby M5 x 55 mm


| Materiál | |
|---|---|
| Materiál | | Nerez |
| Tloušťka dveří | | 36 – 53 mm | 64 – 83 mm |
| Pro typ dveří | | Vchodové dveře do bytu | Vchodové dveře do budovy |
| Rozteč | | 72.00 mm | 92.0 mm |
| Pojistka | | průběžná ocelová deska ve vnějším štítu |
| Barva/povrchová úprava | | Matné |
| Typ sady dveřních klik | | PZ výměnná sada s plochou koulí |
| Tloušťka vnějšího štítu | | 15.00 mm | 15.0 mm |
| Třída odolnosti | | třída odolnosti 1 v souladu s DIN 18257:2015 |
| Kryt vložky | | ve vnějším štítu, překrývá přesah vložky 11–18 mm od dveřního křídla |