




2 vozíky
1 rovné prahové podlahové vedení
2 dorazy kolejnice s přídržnou pružinou

| Rozsah použití | pro 1křídlé a 2křídlé posuvné dveře |
|---|---|
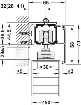
| Poznámka k montáži | | Pro montáž na strop s panelem na obou stranách není k dispozici koncová krytka. Pár koncových krytek je možné připevnit a přilepit svisle ke středu pojezdové kolejnice (volitelně). |
| Model | | 160-P |
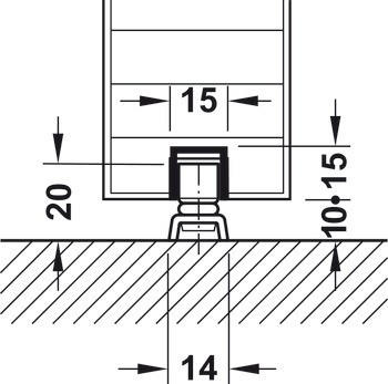
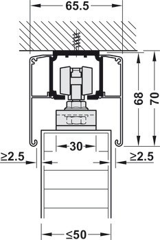
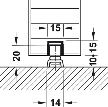
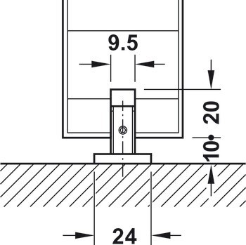
| Zařízení pro nastavení | | Nastavitelná výška dveří |
| Pro materiál dveří | | dřevo |
| Počet dveří v systému max. | | 1 až 2 |
| Počet dveří | | 1,00 |
| Mechanismus tlumeného zavírání | | bez mechanismu tlumeného dotahu |
| Pro hmotnost dveří | | ≤160 kg |
| Poloha pojezdu | Nahoře |
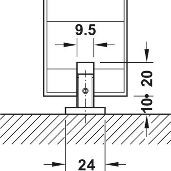
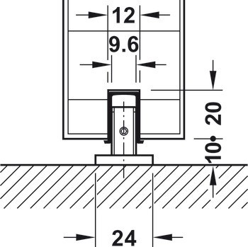
| Zpracování dveří | | S výřezem |
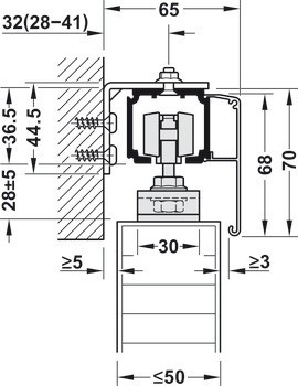
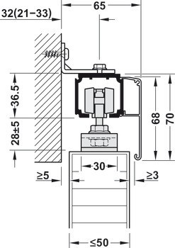
| Montáž | | Zavěšení s přišroubovanou podpěrnou přírubou |
| Typ montáže | | Montáž na strop, Montáž na stěnu |
| Zařízení pro nastavení | | nastavení výšky |