




2 vozíky
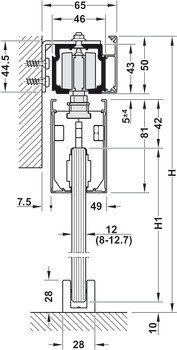
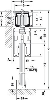
2 upínací patky pro sklo s rozměry upnutí
1 rovné prahové podlahové vedení
2 dorazy kolejnice s přídržnou pružinou

| Rozsah použití | pro 1křídlé a 2křídlé posuvné dveře |
|---|---|
| Model | | 240L |
| Zařízení pro nastavení | | Height adjustment ±4 mm, Nastavitelná výška dveří ±4 mm |
| Pro materiál dveří | | Sklo |
| Počet dveří v systému max. | | 1 až 2 |
| Počet dveří | |
| Mechanismus tlumeného zavírání | | bez mechanismu tlumeného dotahu |
| Pro šířku dveří | | ≥900 mm |
| Pro hmotnost dveří | | ≤240 kg |
| Poloha pojezdu | Nahoře |
| Zpracování dveří | | S přípravou skla |
| Montáž | | Spojení upínací svorkou (bez nářadí)|Pozitivní upnutí dveřního křídla |
| Typ montáže | | Montáž na strop, Montáž na stěnu |
| Pro typ skla | | Tvrzené bezpečnostní sklo (ESG) |
| Pro tloušťku skla s tvrzeným bezpečnostním sklem (ESG) | | 8 mm, 10 mm, 12 mm, 12.7 mm |