




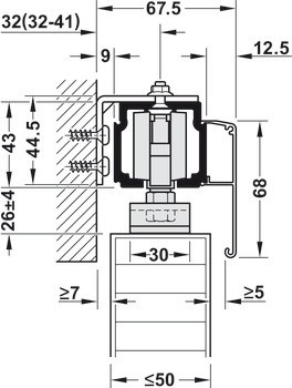
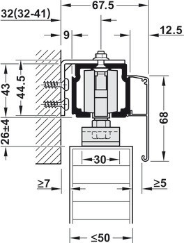
2 vozíky
1 rovné prahové podlahové vedení
2 dorazy kolejnice s přídržnou pružinou

| Rozsah použití | Pro 1 dveře |
|---|---|
| Model | | 240-P |
| Zařízení pro nastavení | | Nastavitelná výška dveří |
| Pro materiál dveří | | dřevo |
| Počet dveří v systému max. | | 1 až 2 |
| Počet dveří | | 1,00 |
| Mechanismus tlumeného zavírání | | bez mechanismu tlumeného dotahu |
| Pro hmotnost dveří | | ≤240 kg |
| Poloha pojezdu | Nahoře |
| Zpracování dveří | | k přišroubování |
| Montáž | | Zavěšení s přišroubovanou podpěrnou přírubou |
| Typ montáže | | Montáž na strop, Montáž na stěnu |
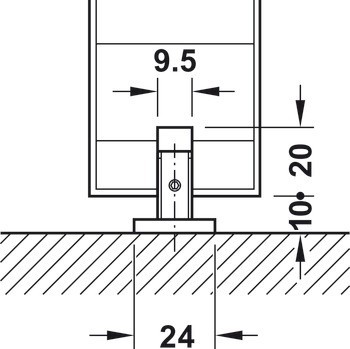
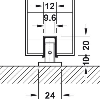
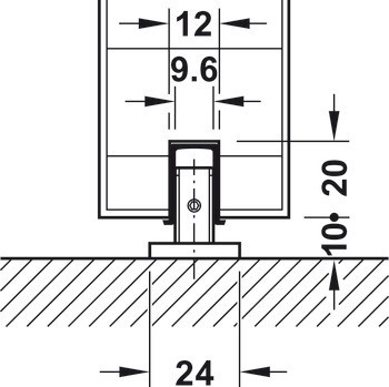
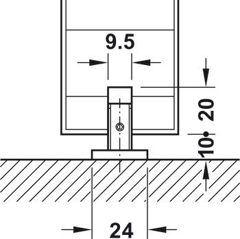
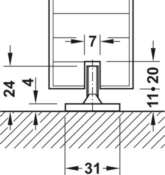
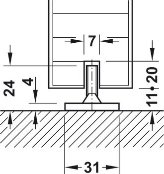
| Zařízení pro nastavení | | nastavení výšky |