




4 vozíky
1 unašeč dveří
2 dveřní dorazy s nacvakávacím dveřním dorazem
1 vedení

| Rozsah použití | Pro 2 dveře |
|---|---|
| Zařízení pro nastavení | Height adjustment: -1 – 2 mm, +2/-1 mm na vozíku pomocí nastavovacího kolečka |
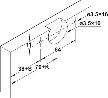
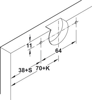
| Pro tloušťku dveří | 16 – 19 mm |
| Pro materiál dveří | dřevo |
| Design skříně | s tenkými horními panely korpusu |
| Sada | Sada bez kolejnic |
| Pro výšku dveří | ≤1,400 mm |
| Počet dveří v systému max. | 2 |
| Počet dveří | 2,00 |
| Mechanismus tlumeného zavírání | s nacvakávacím dveřním dorazem |
| Nastavení výšky | -1 – 2 mm |
| Pro šířku dveří | ≤1,000 mm |
| Pro hmotnost dveří | ≤16 kg |
| Materiál/Povrchová úprava | Tělo: PlastPohon: PlastVedení: PlastKolečka: PlastOsy: Ocel |
| Montáž | Vedení k přišroubování|Tělo k přišroubování|Vozík bez nářadí (systém rychlomontáže) |
| Poloha pojezdu | Nahoře |
| Počet koleček | 2,00 |
| Uložení vozíku | Kluzné ložisko |
| Nastavení dveří přes | nastavitelné kolečko |
| Typ otevírání | lineární |