




4 vozíky
1 unašeč dveří
2 vedení
4 dveřní dorazy s nacvakávacím dveřním dorazem
Montážní materiál

| Rozsah použití | Pro 2 dveře |
|---|---|
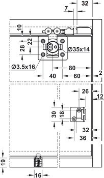
| Zařízení pro nastavení | Height adjustment ±2 mm, Výška ±2 mm pomocí excentrického šroubu na vozíku |
| Pro tloušťku dveří | 19 – 25 mm |
| Pro materiál dveří | Dřevo |
| Design skříně | s posuvnými dveřmi s nulovou tolerancí |
| Sada | Sada bez kolejnic |
| Pro výšku dveří | ≤2200 mm |
| Počet dveří | 2,00 |
| Mechanismus tlumeného zavírání | bez mechanismu tlumeného dotahu, s nacvakávacím dveřním dorazem |
| Nastavení výšky | ±2 mm |
| Pro šířku dveří | ≤1000 mm |
| Materiál/Povrchová úprava | Tělo: Plast, Vozík: Zinková slitina, Vedení: Plast, Kolečka: Plast, Osy: Ocel |
| Poloha pojezdu | Nahoře |
| Počet koleček | 2,00 |
| Uložení vozíku | Kluzné ložisko |
| Nastavení dveří přes | excentrický šroub |