




2 Vozíky
2 závěsné šrouby
2 sady pro bodové upevnění
2 dorazy kolejnice
1 jednorázová vrtací šablona
1 gumový doraz na stěnu
1 kolíček pro nastavení výšky

| Verze | bez pojezdové kolejnice, bez podlahového vedení, bez krytek |
|---|---|
| Rozsah použití | pro 1křídlé a 2křídlé posuvné dveře |
| Model | 80 GP bez mechanismu tlumeného dotahu, s dorazem kolejnice na obou stranách |
| Zařízení pro nastavení | Nastavitelná výška dveří bez demontáže dveřídoraz kolejnice s nastavitelnou přídržnou pružinou |
| Modely | Junior |
| Pro materiál dveří | sklo |
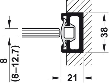
| Pro výšku dveří | ≤4,000 mm |
| Počet dveří v systému max. | 1 až 2 |
| Počet dveří | 1,00 |
| Mechanismus tlumeného zavírání | s dorazy kolejnice na obou stranách |
| Pro šířku dveří | ≤3,000 mm |
| Pro hmotnost dveří | ≤80 kg |
| Poloha pojezdu | Nahoře |
| Zpracování dveří | S přípravou skla |
| Montáž | Zavěšení se závěsným čepem|Bodové upevnění s držákem skla |
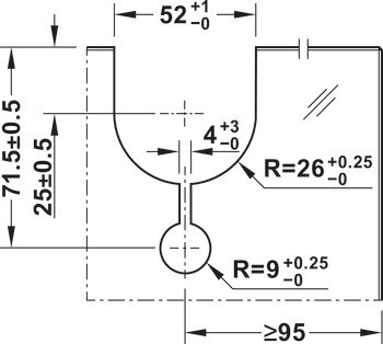
| Typ montáže | Montáž na strop |
| Klasifikace v souladu s EN 1527 | -|6|2|-|1|0|-|1|3 |
| Pro typ skla | Tvrzené bezpečnostní sklo (ESG)|Vrstvené bezpečnostní sklo (VSG) |
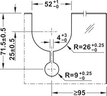
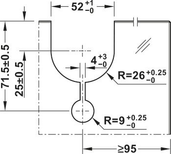
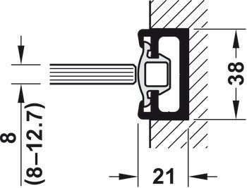
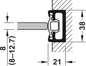
| Pro tloušťku skla s tvrzeným bezpečnostním sklem (ESG) | 8 mm, 10 mm, 12 mm, 12.7 mm |
| Pro tloušťku skla s vrstveným bezpečnostním sklem (VSG) | 8,7–12,7 mm |
| Norma | Certifikováno v souladu s EN 1527:2013 |