




2 Vozíky
2 upínací patky
2 dorazy kolejnice (1 s přídržnou pružinou, 1 bez přídržné pružiny)
1 podlahové vedení
1 doraz na stěnu

| Verze | Bez pojezdové kolejnice |
|---|---|
| Rozsah použití | Pro 1 dveře |
| Model | 100 GMD |
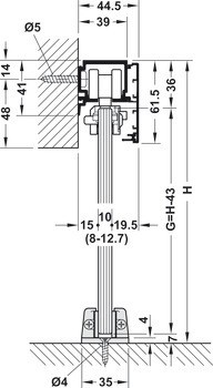
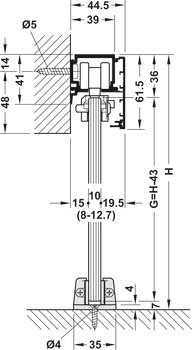
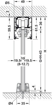
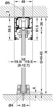
| Zařízení pro nastavení | Height adjustment: -2 – 2 mm |
| Pro materiál dveří | sklo |
| Pro výšku dveří | ≤2,700 mm |
| Počet dveří v systému max. | 1 až 2 |
| Počet dveří | 1,00 |
| Mechanismus tlumeného zavírání | s mechanismem tlumeného zavírání (volitelně) |
| Pro šířku dveří | ≤1,600 mm |
| Pro hmotnost dveří | ≤100 kg |
| Poloha pojezdu | Nahoře |
| Zpracování dveří | S přípravou skla |
| Montáž | Zavěšení s přiléhajícím spojením přírubou na sklo |
| Typ montáže | Montáž na strop, Montáž na stěnu |
| Pro typ skla | Tvrzené bezpečnostní sklo (ESG) |
| Pro tloušťku skla s tvrzeným bezpečnostním sklem (ESG) | 8 mm, 10 mm, 12 mm, 12.7 mm |