




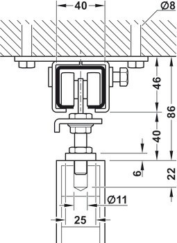
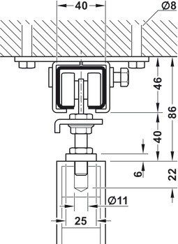
2 vozíky
2 nosné příruby
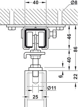
2 závěsné šrouby s maticí, M10
1 doraz kolejnice s gumovým dorazem
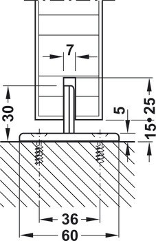
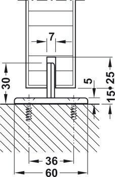
1 podlahové vedení ve tvaru T

| Rozsah použití | Pro 1 dveře |
|---|---|
| Model | 300 H |
| Zařízení pro nastavení | Height adjustment: -5 – 10 mm, Výška ±5 mm, boční nastavení dveří |
| Pro tloušťku dveří | 40 – 80 mm |
| Pro materiál dveří | dřevo |
| Počet dveří v systému max. | 1 až 2 |
| Počet dveří | 1,00 |
| Pro hmotnost dveří | ≤300 kg |
| Poloha pojezdu | Nahoře |
| Zpracování dveří | k přišroubování |
| Montáž | Zavěšení s přišroubovanou podpěrnou přírubou |
| Typ montáže | Montáž na strop, Montáž na stěnu |