




2 vozíky se závěsným šroubem a maticí, M8
2 nosné profily
1 krytka
2 dorazy kolejnice s přídržnou pružinou
1 podlahové vedení, nastavitelné
1 sada upevňovacích šroubů
1 šroub s válcovou hlavou, M8 x 35 mm


| Rozsah použití | | Pro 1křídlé a 2křídlé posuvné dveře |
|---|---|
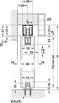
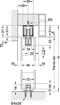
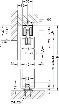
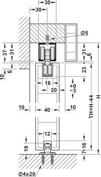
| Poznámka k montáži | | Pro otáčení dovnitř a ven může panel dosahovat maximálně ke spodnímu okraji kolejnice. |
| Model | | 60 HMT | 100 HMT |
| Zařízení pro nastavení | | Height adjustment: -3 mm, nebo výšky: -2 (viz obrázek) |
| Pro tloušťku dveří | | 30 – 40 mm |
| Pro materiál dveří | | dřevo |
| Pro výšku dveří | | ≤2,700 mm |
| Počet dveří v systému max. | | 1 |
| Počet dveří | | 1,00 |
| Pro šířku dveří | | ≤1,600 mm |
| Pro hmotnost dveří | | ≤60 kg | ≤100 kg |
| Poloha pojezdu | | Nahoře |
| Zpracování dveří | | S výřezem |
| Vhodné pro | | Minimální montážní výška|Řešení kapsy ve stěně |
| Typ montáže | | Montáž na strop, Montáž na stěnu |
| Klasifikace v souladu s EN 1527 | | -|6|2|0|-|0|-|1|3 |
| Norma | | Certifikováno v souladu s EN 1527:1998 |