




2 vozíky
2 vedení
Montážní návod


| Rozsah použití | Pro jednoduchou kolejnici, dřevěné posuvné dveře |
|---|---|
| Pro materiál dveří | dřevo |
| Design skříně | s posuvnými dveřmi s jednoduchou kolejnicí |
| Sada | Sada bez kolejnic |
| Počet dveří v systému max. | 1 |
| Počet dveří | 1,00 |
| Pro hmotnost dveří | ≤20 kg |
| Materiál/Povrchová úprava | Vozík: OcelVedení: Ocel |
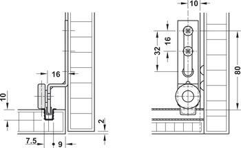
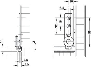
| Montáž | Pojezdová a vodicí kolejnice uvnitř korpusu pro montáž do drážky |
| Poloha pojezdu | Dole |
| Počet koleček | 1,00 |
| Uložení vozíku | Kluzné ložisko |
| Typ otevírání | lineární |
| Vlastnosti vozíku | | Rovný vozík pro montáž Infront | Zalomený vozík pro montáž Vorfront |