






| Verze | | Pravé | Levé |
|---|---|
| Barva/povrchová úprava | | matný |
| Rozsah použití | | Pro dřevěné zárubněpro bezfalcové vnitřní dveře |
| Materiál | | Nerez |
| Modely | | Křídlový závěs |
| Montáž | | DIN levý | DIN pravý |
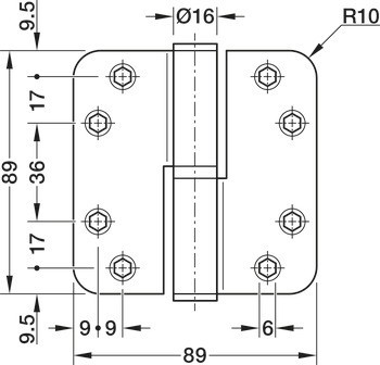
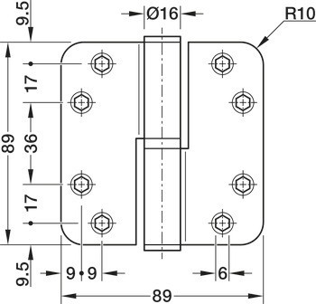
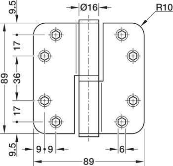
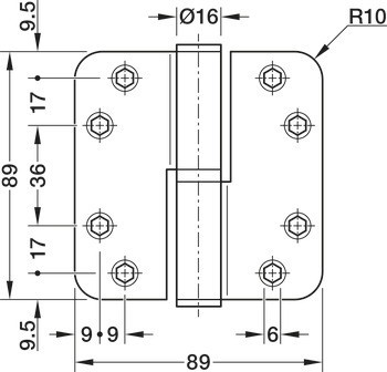
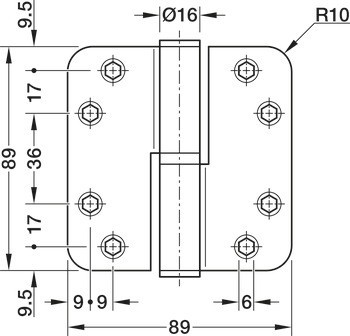
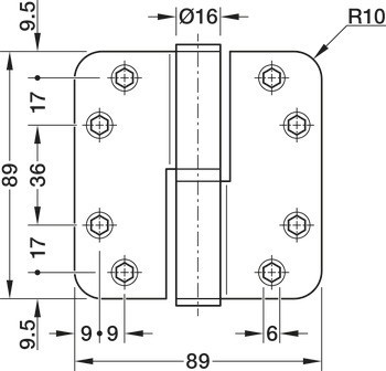
| Tvar příruby | | kulaté |
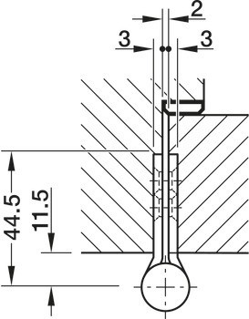
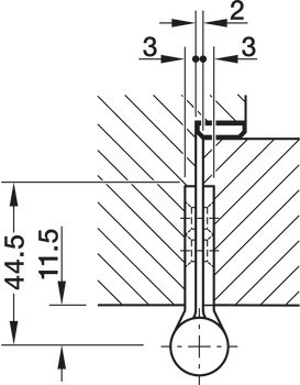
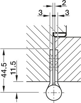
| Tloušťka příruby | | 3,00 mm | 3.00 mm |
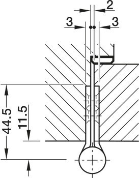
| Průměr patice | | 16,00 mm | 16.00 mm |
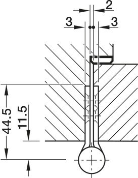
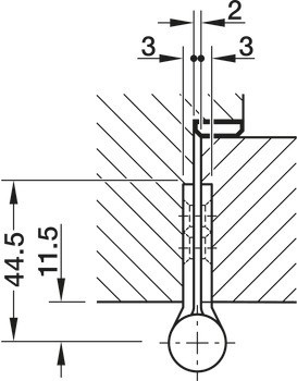
| Typ ložiska | | Na principu čepu s ložiskem a podložkou |
| Výška příruby | | 90 mm |
| Poloměr | | 10,00 mm | 10.00 mm |
| Pro typ zárubně | | Dřevěný rám |
| Max. hmotnost dveří pro 2 závěsy | | 100,00 kg | 100.00 kg |
| Norma | | Vydání EN 1935:2002 |
| Třída | | 4|7|5|0|1|0|0|12 |
| Šířka příruby | | 37 mm |
| Délka patice | | 90,00 mm | 90.00 mm |