









| Verze | Konce patice svařované a broušené |
|---|---|
| Barva/povrchová úprava | matný |
| Rozsah použití | Pro dřevěné zárubněpro falcové vnitřní dveře |
| Materiál | Nerez |
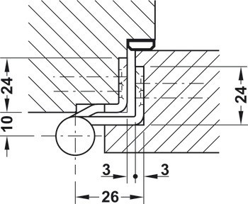
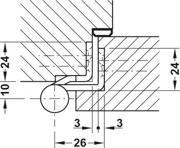
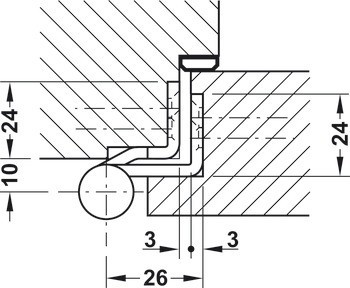
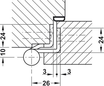
| Pin Diameter | | 10.0 mm | 10,00 mm | 10.00 mm |
| Modely | Křídlový závěs |
| Montáž | | DIN levý | DIN pravý |
| Tvar příruby | | kulaté | čtyřhranné |
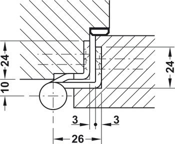
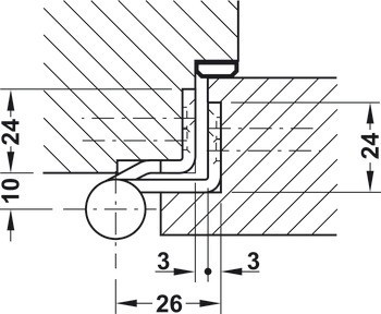
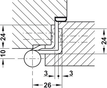
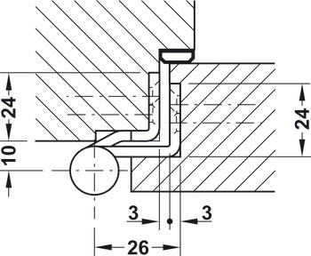
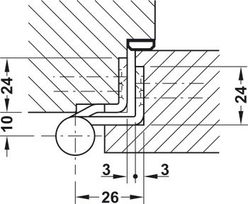
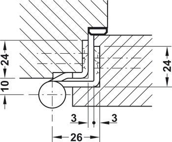
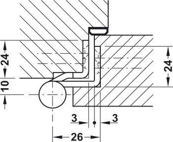
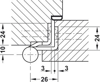
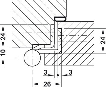
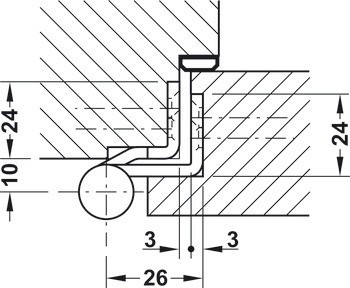
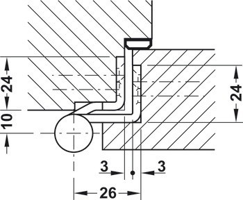
| Tloušťka příruby | | 3.0 mm | 3,00 mm | 3.00 mm |
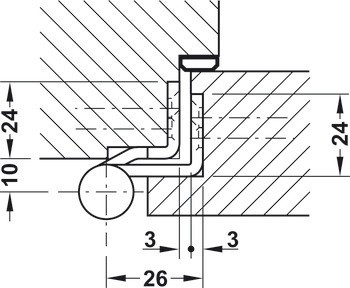
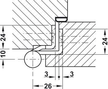
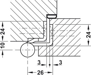
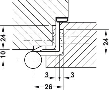
| Průměr patice | | 16.0 mm | 16,00 mm | 16.00 mm |
| Typ ložiska | S pevným čepem|Patice se systémem ocelových ložisek s olejovou komorou |
| Výška příruby | | 100 mm | 140 mm |
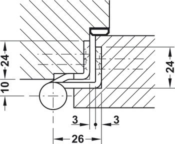
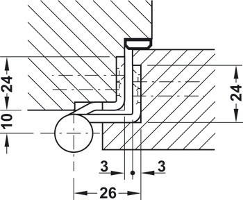
| Průměr frézovacího bitu | | 24,00 mm | 24.00 mm | 24.0 mm |
| Poloměr | | 12,00 mm | 12.00 mm | 12.0 mm |
| Pro typ zárubně | Dřevěný rám |
| Max. hmotnost dveří pro 2 závěsy | | 60,00 kg | 60.00 kg | 60.0 kg |
| Norma | Vydání EN 1935:2002 |
| Třída | 2|7|2|1|1|4|0|7 |
| Délka patice | | 100,00 mm | 100.00 mm | 140.00 mm | 140.0 mm |
| Hloubka frézování | | 3.15 mm | 3,15 mm |