






| Barva/povrchová úprava | | matný | nikl |
|---|---|
| Rozsah použití | | Pro dřevěné obložkové zárubněpro bezfalcové vnitřní dveře |
| Materiál | | Nerez | Ocel |
| Model | | V 7888 WF |
| Pin Diameter | | 8,00 mm |
| Modely | | V 7888 WF |
| Montáž | | Pro použití na DIN levé a DIN pravé straně |
| Tvar příruby | | kulaté / čtyřhranné |
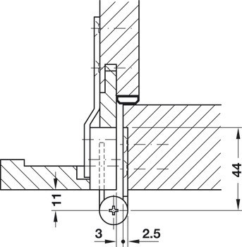
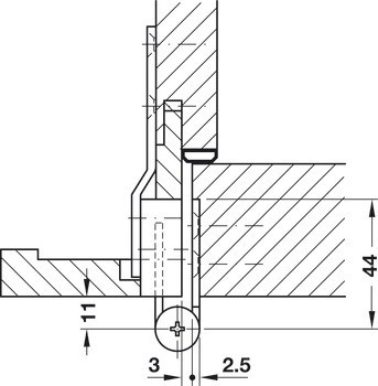
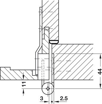
| Tloušťka příruby | | 2,50 mm |
| Průměr patice | | 15,00 mm |
| Typ ložiska | | Kluzné ložisko, bezúdržbové |
| Výška příruby | | 96 mm / 47.5 mm |
| Průměr frézovacího bitu | | 20,00 mm |
| Poloměr | | 10,00 mm |
| Pro typ zárubně | | Dřevěný rám |
| Max. hmotnost dveří pro 2 závěsy | | 70,00 kg |
| Norma | | Vydání EN 1935:2002 |
| Třída | | 3|7|4|0|1|4|0|11 | 3|7|4|0|1|0|0|11 |
| Poznámka | | Odolnost proti korozi 0/4:0 = ocel4 = nerez |