Zavřít
00,00 €
Váš seznam je zatím prázdný.
Menu
Úvodní strana/Nábytek, Řešení pro kuchyně & obývací pokoje/Nábytkové závěsy/Křížová montážní podložka, Blum Clip Top Blumotion, Clip Top, Clip, k přišroubování předmontovanými eurošrouby

Křížová montážní podložka, Blum Clip Top Blumotion, Clip Top, Clip, k přišroubování předmontovanými eurošrouby

Kód: 342.21.906
0,93 €
za 1 ks bez DPH
Skladem u dodavatele

Parametry

Barva/povrchová úpravanikl
Rozsah použitíPro nábytkové závěsy Blum Clip Top Blumotion, Clip Top, Clip
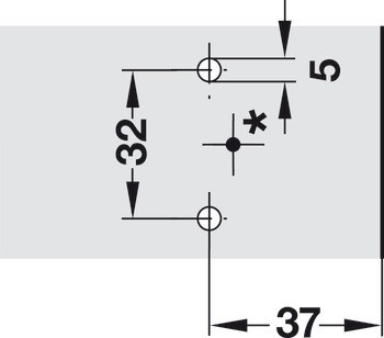
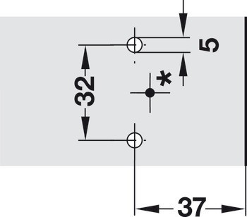
Pro průměr vrtaného otvoru5,00 mm
Vhodné proNábytkové závěsy Blum Clip Top Blumotion, Clip Top, Clip
Model173L8100
Zařízení pro nastaveníHeight adjustment Pomocí drážky ±3 mm
ModelyClip Top Blumotion/Clip Top/Clip
Hloubka vrtání11,50 mm
Vzdálenost šroubu32,00 mm
Vzdálenost0,00 mm
MateriálOcel
Vzdálenost od hrany37,00 mm
Pro typ montážeplně naložené, vložka, Polonaložená montáž
Model No.173L8100
VýrobceBlum
Způsob připevněník nacvaknutí
Verze montážní podložkyK přišroubování předmontovanými eurošrouby