









| Barva/povrchová úprava | | nikl | Onyxblack |
|---|---|
| Rozsah použití | Pro nábytkové závěsy Blum Clip Top Blumotion, Clip Top, Clip |
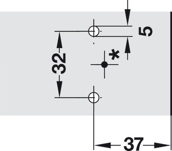
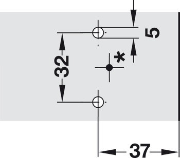
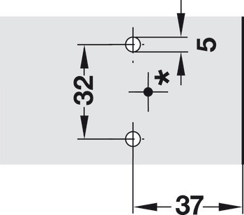
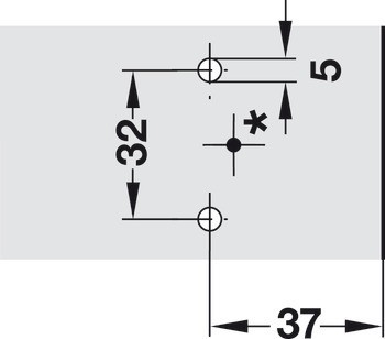
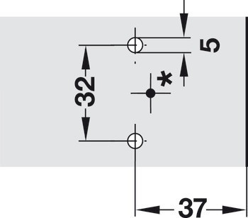
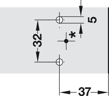
| Pro průměr vrtaného otvoru | 5,00 mm | 5.00 mm |
| Vhodné pro | Nábytkové závěsy Blum Clip Top Blumotion, Clip Top, Clip |
| Model | | 174H7100E | 174H7130E | 174H710ZE | 174H713ZE |
| Zařízení pro nastavení | Height adjustment Pomocí excentru ±2 mm |
| Modely | Clip Top Blumotion/Clip Top/Clip |
| Hloubka vrtání | | 7,50 mm | 11,50 mm | 7.50 mm |
| Vzdálenost šroubu | 32,00 mm | 32.00 mm |
| Vzdálenost | 3,00 mm | 3.00 mm | 0,00 mm |
| Materiál | Ocel |
| Vzdálenost od hrany | 37,00 mm | 37.00 mm |
| Pro typ montáže | | dvojité | plně naložené, vložka, Polonaložená montáž |
| Model No. | | 174H7100E | 174H7130E | 174H710ZE | 174H713ZE |
| Výrobce | Blum |
| Způsob připevnění | k nacvaknutí |
| Verze montážní podložky | K přišroubování předmontovanými speciálními šrouby a rozevíracími hmoždinkami |