








| Barva/povrchová úprava | Saténový nerez ocel | Matný nerez |
|---|---|
| Materiál | Čelní plech: Nerezstřelková závora: plast s magnetickou vložkouzávora, ořech kliky a ořech závory: zinková slitinatělo zámku: Ocel |
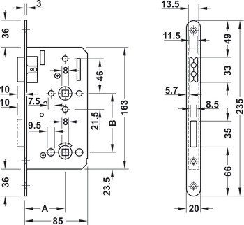
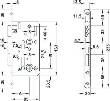
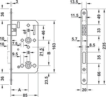
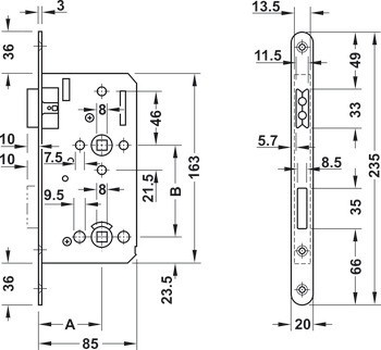
| Model | Model 116 1/2 |
| Backset | | 55,00 mm | 65,00 mm | 55.00 mm |
| Princip funkce | Střelka je aktivována magnetem |
| Pro materiál dveří | Dřevo |
| Pro typ dveří | Otočné dveře |
| Šířka čelního plechu | 20,00 mm | 20.00 mm |
| Design čelního plechu | Plochý čelní plech zaoblený |
| Rozsah použití | Rezidenční sektory |
| Délka čelního plechu | 235,00 mm | 235.00 mm |
| Verze závory | Standardní závora |
| Verze střelky | Magnetická střelka |