




1 mechanismus tlumeného zavírání
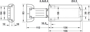
1 zvedací podpěra
1 montážní návod včetně papírové vrtací šablony
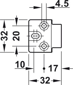
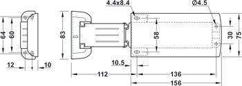
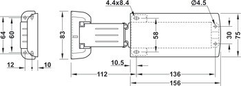
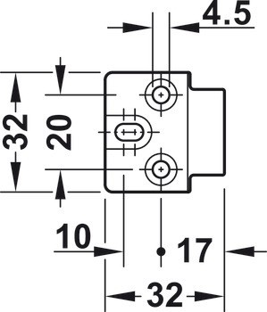
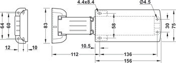
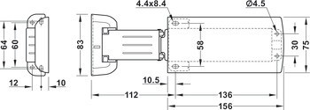
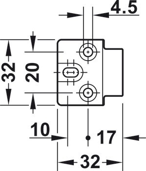
Upevňovací šrouby Ø 4 × 16 mm



| Verze | | s dorazem L | se dorazem M | s dorazem H |
|---|---|
| Rozsah použití | Pro sklopné pulty v barech, restauracích a recepcích |
| Montáž | K přišroubování pod výklop a na korpus |
| Materiál | Ocel |
| Poznámka k montáži | mechanismus tlumeného zavírání pro jemné zavíránísnadné otevírání díky zvedací podpěřelze připevnit na již nainstalované výklopy bez dalšího zpracování |
| Model | | A | B | C |
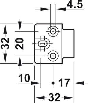
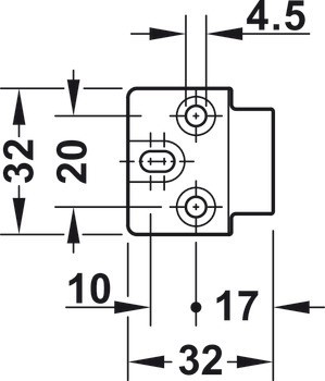
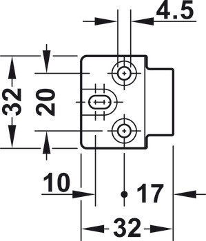
| Rozměry | tloušťka víka: 15-40 mm, od 25-50 mm s distanční podložkou |
| Barva krytu | Krytky a zdvihací mechanismus: šedá |
| Síla pružiny | | 13.5 – 16 N | 8 – 10,5 N | 10.5 – 13,5 N |
| Pro hmotnost víka | ≤8 kg |
| Úhel otevření | 95 ° |
| Materiál víka | Dřevo |
| Barva/povrchová úprava | Nikl |