





| Barva/povrchová úprava | Kartáčováno |
|---|---|
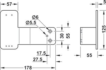
| Rozsah použití | pro montáž dveřního alarmu pod panikovou hrazdu v souladu s EN 1125 na dveře s úzkým rámem a dveře s plným panelem |
| Montáž | k přišroubování na dveřní křídlo |
| Materiál | Nerez |
| Výška | 125,00 mm |
| Vhodné pro | Häfele Startec zajištění dveří, pro dveře s úzkým rámem a dveře s plným panelem s panikovým tlačným madlem |
| Typ produktu | Montážní podložka |
| Montáž | | DIN pravý |