






| Barva/povrchová úprava | | nikl |
|---|---|
| Rozsah použití | | Pro nábytkové závěsy Blum Clip Top Blumotion, Clip Top, Clip |
| Pro průměr vrtaného otvoru | | 5.00 mm |
| Vhodné pro | | Nábytkové závěsy Blum Clip Top Blumotion, Clip Top, Clip |
| Model | | 177H5400E | 177H5430E |
| Zařízení pro nastavení | | Height adjustment Pomocí excentru ±2 mm |
| Modely | | Clip Top Blumotion/Clip Top/Clip |
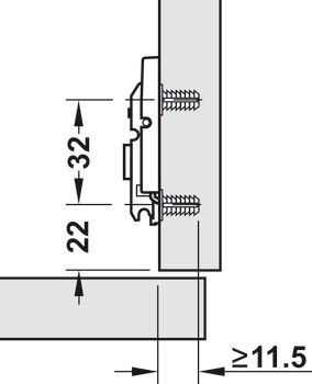
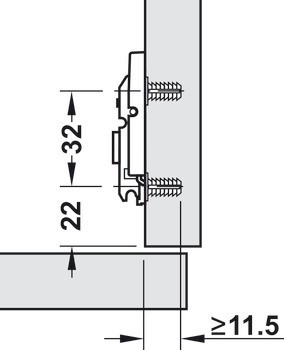
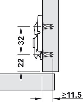
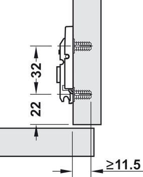
| Hloubka vrtání | | 11.50 mm |
| Vzdálenost šroubu | | 32.00 mm |
| Vzdálenost | 3.00 mm | 0.00 mm |
| Materiál | | Zinková slitina |
| Vzdálenost od hrany | | 22.00 mm |
| Model No. | | 177H5400E | 177H5430E |
| Výrobce | | Blum |
| Způsob připevnění | | k nacvaknutí |
| Verze montážní podložky | | K přišroubování předmontovanými speciálními šrouby a rozevíracími hmoždinkami |