




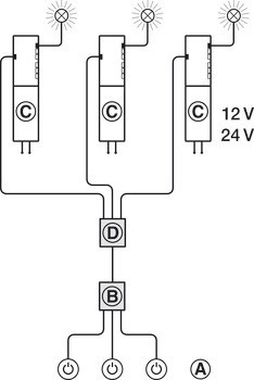
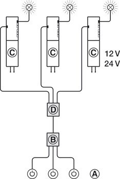
1 Multi-Switch-Box s kabelem pro spínač

| Barva/povrchová úprava | Černý |
|---|---|
| Materiál | Plast |
| Rozměry (D x Š x V) | 55 x 45 x 16 mm |
| Stupeň ochrany | IP20 |
| Spotřeba energie v pohotovostním režimu | 0,30 W |
| Délka kabelu | 1.000,00 mm |
| Provozní režim | S křížovým obvodem|Deaktivovaný křížový spínač |