








| Barva/povrchová úprava | | Černý | nikl |
|---|---|
| Rozsah použití | Pro dřevěné dveře |
| Montáž | Dveře na korpusu bez nářadí s klip systémem |
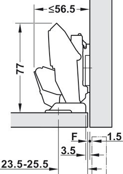
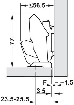
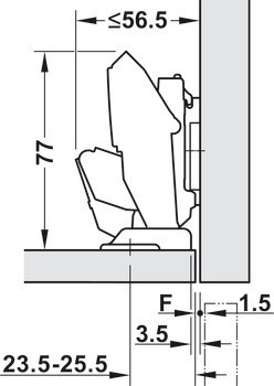
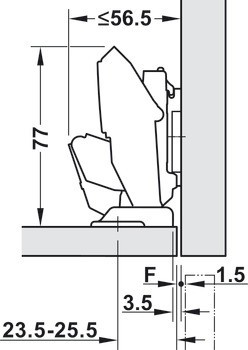
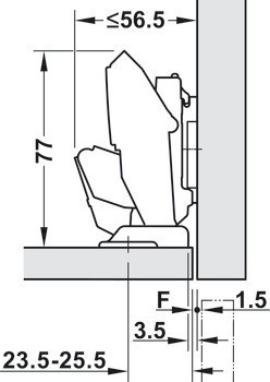
| Zařízení pro nastavení | Side adjustment 2 mm, Height adjustment -3 – 3 mm, Výškové nastavení podle montážní podložky |
| Materiál | Ocel |
| Typ zalomení | Velmi zalomené |
| Pro materiál dveří | dřevo |
| Zpracování dveří pro sestavení | bez |
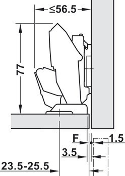
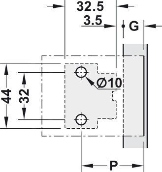
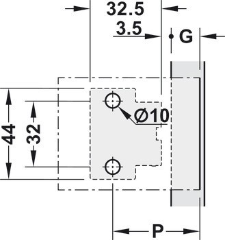
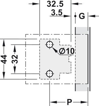
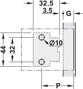
| Hloubka vrtání misky | | 6.0 mm | 6,00 mm | 6,0 mm |
| Verze | | S automatickou dovírací mechanikou, Bez mechanismu tlumení | Bez automatické zavírací pružiny, Bez mechanismu tlumení | S automatickou dovírací mechanikou, s mechanismem tlumeného zavírání (lze deaktivovat) |
| Montáž misky závěsu | Expando T |
| Úhel otevření | 110° |
| Model No. | | 71B453T | 71T453T | 70T453T.TL |
| Průměr vrtání misky | | 35,00 mm | 35,0 mm | 35.0 mm |