






| Barva/povrchová úprava | nikl |
|---|---|
| Rozsah použití | Pro standardní aplikace |
| Montáž | Dveře na korpusu bez nářadí s klip systémem |
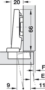
| Zařízení pro nastavení | Side adjustment 2 mm, Height adjustment -3 – 3 mm, Výškové nastavení podle montážní podložky |
| Materiál | Ocel |
| Typ zalomení | Rovné |
| Pro materiál dveří | dřevo |
| Verze nábytkového závěsu | plně naložené |
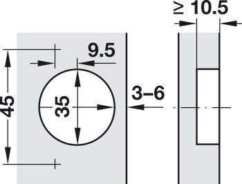
| Zpracování dveří pro sestavení | s vrtáním misky |
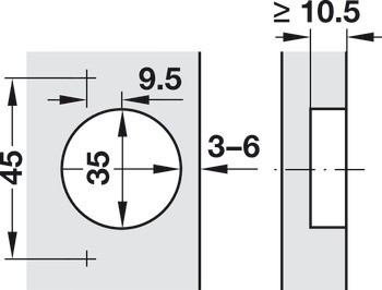
| Hloubka vrtání misky | 10,50 mm | 10,5 mm |
| Verze | S automatickou dovírací mechanikou |
| Montáž misky závěsu | | K nalisování | k přišroubování |
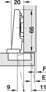
| Úhel otevření | 100° |
| Model No. | | 71M2550 | 71M2580 |
| Vzor vrtání | 45/9,5 |
| Průměr vrtání misky | 35,00 mm | 35,0 mm |