









| Barva/povrchová úprava | Ramínko závěsu: nikl |
|---|---|
| Rozsah použití | Pro otevírání Tip-On |
| Montáž | Dveře na korpus s nasouvací technikou A nebo systémem rychlomontáže SM |
| Zařízení pro nastavení | Side adjustment -1.5/+4,5 mm, Height adjustment ±2 mm, nastavení hloubky s montážními podložkami Metalla 510 A +2,8 mm, s montážními podložkami Metalla 510 SM od -0,5/+2,8 mm |
| Materiál | Ocel |
| Typ zalomení | Rovné |
| Pro materiál dveří | Dřevo |
| Verze nábytkového závěsu | plně naložené |
| Zpracování dveří pro sestavení | s vrtáním misky |
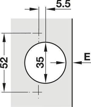
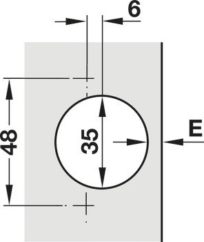
| Hloubka vrtání misky | | 11,00 mm | 11.00 mm | 11,0 mm |
| Verze | S automatickým otevíracím mechanismem (Push) |
| Montáž misky závěsu | | K nalisování | k přišroubování |
| Úhel otevření | 110° |
| Model No. | C2PPA99 |
| Vzor vrtání | | 48/6 | 52/5,5 | 45/9,5 |
| Průměr vrtání misky | | 35,00 mm | 35.00 mm | 35,0 mm |