




1 díl na zárubeň s krytem
1 díl na dveřní křídlo s krytem
1 sada podpěrek pro díly na zárubeň a křídlo
1 sada upevňovacího materiálu
1 montážní návod



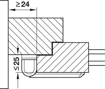
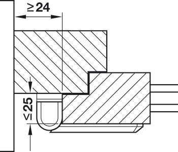
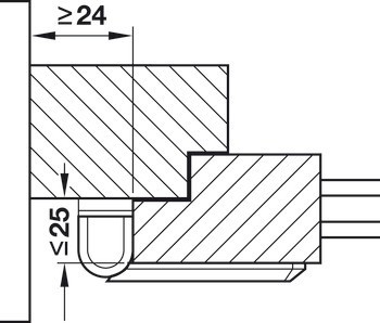
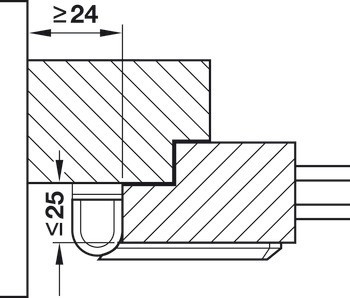
| Verze | s vymezovacími díly pro díl na zárubeň pro výškové vyrovnání ≤7 mm,s podpěrami dílu na dveřní křídlo pro výškové vyrovnání ≤18 mm |
|---|---|
| Barva/povrchová úprava | | Hnědá, Díl na zárubeň a na křídlo: pozink, Díl na zárubeň a na křídlo: pozink | Bílá, Díl na zárubeň a na křídlo: pozink, Díl na zárubeň a na křídlo: pozink | Barva stříbra, Díl na zárubeň a na křídlo: pozink, Díl na zárubeň a na křídlo: pozink |
| Rozsah použití | Pro okna otevíraná dovnitř a francouzské dveře s otočným a výklopným kováním |
| Montáž | Pro použití na DIN levé a DIN pravé straně |
| Norma | DIN 18104–1 "odolnost proti násilnému vniknutí", certifikace VdS |
| Materiál | Ocel |
| Modely | FAS 101 |
| Montáž | Pro použití na DIN levé a DIN pravé straně |
| Odolnost proti vypáčení | >1 tuna |