




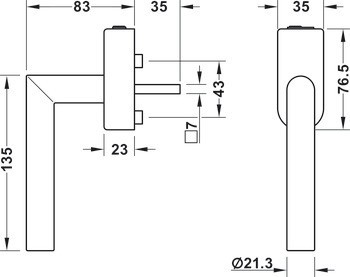
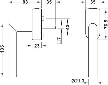
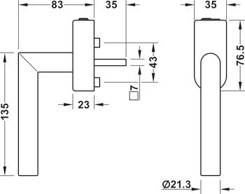
1 okenní klika
2 klíče
2 závitové šrouby M5 x 37 mm


| Verze | 90° kuličková aretace pro výklopné a otočné oknos ocelovým jádremse čtyřhranem 7 mm |
|---|---|
| Norma | testováno dle EN 13126-3 a certifikováno dle RAL-GZ 607/9, splňuje požadavky DIN EN 1627-1630 RC 1-6 |
| Materiál | Polyamid |
| Model | 162PBFGA.2 |
| Barva/povrchová úprava | | Matné, hluboká černá | Matné, Čistě bílá |
| Zamykací systém | Tlačný zámek se společným uzávěrem |