




2 částečně integrované držáky k nasunutí
4 upevňovací šrouby
2 krytky


| Barva/povrchová úprava | | Barva titanu, Krytky: barva titanu | matný, nikl, Krytky: Bílé |
|---|---|
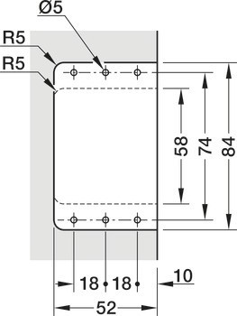
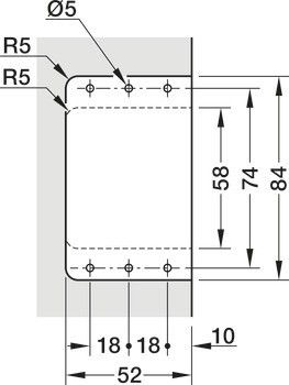
| Rozsah použití | | Pro nábytkový závěs, plně naložená nebo polonaložená montáž |
| Poznámka k montáži | | k přišroubování,Plně naložená montáž s eurošrouby Ø 5 x 16 mm,Polonaložená montáž s mezišrouby Ø 5 mm |
| Materiál | | Ocel |
| Pro tloušťku bočního panelu | | 18 mm |
| Verze montážní podložky | | částečně integrované |
| Pro tloušťku středního panelu | | 25 mm |