





| Barva/povrchová úprava | | Zinek |
|---|---|
| Rozsah použití | | Pro všechny závěsy objektových dveří Simonswerk VARIANT VX a VARIANT VXGpro hliníkové rámečkypro falcové a bezfalcové dveře |
| Materiál | | Ocel |
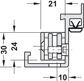
| Výška | | 180,00 mm |
| Model | | VX 7521 3D |
| Zařízení pro nastavení | | Side adjustment ±3 mm, Height adjustment ±3 mm |
| Hmotnost dveří | |
| Průměr frézovacího bitu | | 24,00 mm |
| Poloměr | | 12,00 mm |
| Montáž | | Pro použití na DIN levé a DIN pravé straně |