





| Materiál | |
|---|---|
| Barva/povrchová úprava | |
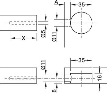
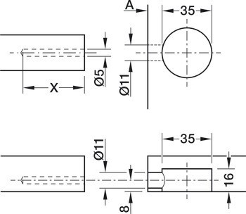
| Rozsah použití | | Pro skrytá spojení s extrémně velkou úhlovou stabilitouPro použití v kombinaci s jednodílným spojem konfirmát pro závit ⌀ 7 mm s vnitřním šestihranem SW4 |
| Vhodné pro | Spoje rohové a plošné spoje |
| Průměr vrtání misky | 35.00 mm |