








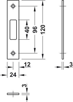
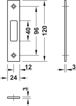
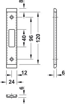
| Materiál | Nerez |
|---|---|
| Barva/povrchová úprava | matný |
| Rozsah použití | doplňková střelková závora | Hlavní střelka |
| Délka x šířka mm | 120 x 24 mm |
| Šířka čelního plechu | 24,00 mm |
| Design čelního plechu | | Plochý čelní plech s hranami | U-čelní plech |
| Pro počet dveří | 1křídlé dveře |
| Vhodné pro | SECURY automatický vícebodový zámek, Panikové zámky |