




| Verze | Pro kabel s pojistným klipem |
|---|---|
| Barva/povrchová úprava | Černý |
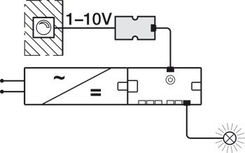
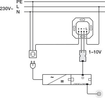
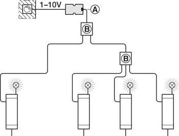
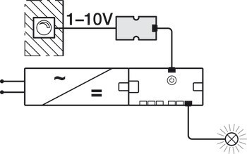
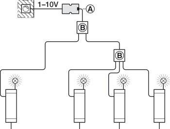
| Rozsah použití | Pro stmívání osvětlení na Loox Driveru 12 V nebo 24 V pomocí nástěnného stmívače s funkcí zapnutí/vypnutí a řízeným výstupem v rozsahu 1–10 V |
| Materiál | Plast |
| Poznámka k montáži | Individuální stmívač (např. Gira 030800) a zapuštěná krabička pro montáž do dutých stěn. |
| Rozměry (D x Š x V) | 69 x 35 x 13.5 mm |
| Stupeň ochrany | IP20 |
| Vstupní signál | 1-10 V |