




1 rozvorový zámek
4 vodítka tyče
1 šroub čelního plechu
2 zamykací pouzdro
1 úhlový protiplech (se 3 šrouby)
2 šrouby M4 x 16 mm



| Verze | | Se 2 zástrčemi | Se 3 zástrčemi |
|---|---|
| Barva/povrchová úprava | Nikl, Nikl |
| Rozsah použití | Pro dělenou profilovou tyč Ø 8 mm |
| Montáž | | Pravá/levá | Zásuvková verze |
| Materiál | Zinková slitina |
| Montáž | |
| Upřesnění | Nikl |
| Povrchová úprava | Nikl |
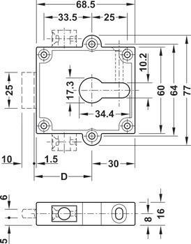
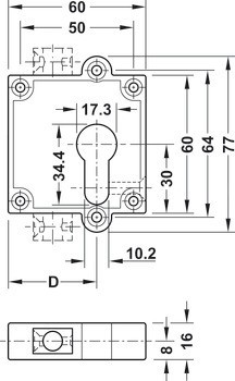
| Backset D | |
| Backset | | 40.00 mm | 38,50 mm | 38.50 mm |
| Rozměr zdvihu závory | 10,00 mm | 10.00 mm |
| Montáž | Zásuvková verze | levé nebo pravé |
| Zdvih | 12,00 mm | 12.00 mm |
| Připraveno pro | Profilová vložka |