




1 rozvorový zámek
4 vodítka tyče
1 šroub čelního plechu
2 zamykací pouzdra
1 rohový protiplech (se 3 zástrčemi)
2 šrouby M4 x 16



| Verze | | Se 2 zástrčemi | Se 3 zástrčemi |
|---|---|
| Barva/povrchová úprava | Nikl, Nikl |
| Rozsah použití | Pro dělenou profilovou tyč ⌀ 8 mm s PZ otvorem pro umístění profilových vložek s rozměry v souladu s DIN 18 252 |
| Montáž | | Pravá/levá | Zásuvková verze |
| Materiál | Zinková slitina |
| Montáž | |
| Upřesnění | Nikl |
| Povrchová úprava | Nikl |
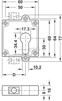
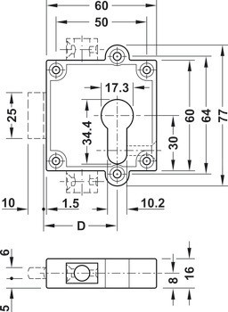
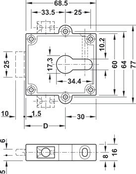
| Backset D | |
| Backset | | 40.00 mm | 38.50 mm |
| Montáž | Zásuvková verze | levé nebo pravé |
| Zdvih | 12.00 mm |
| Připraveno pro | Profilová vložka |