




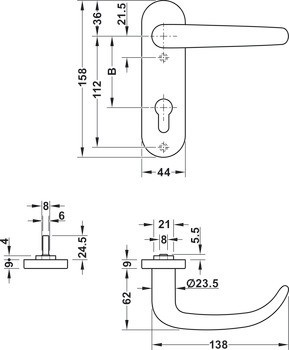
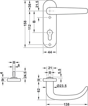
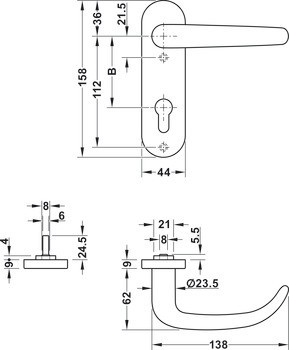
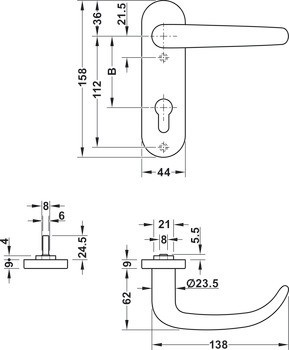
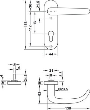
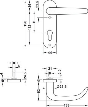
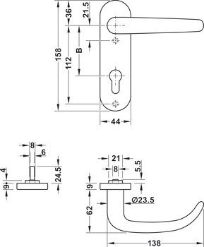
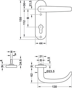
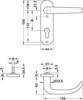
2 kliky s otvorem pro čtyřhran se 2 PZ krátkými štíty a čtyřhranem 8 x 109 mm
2 závitové šrouby M5 x 50 mm





| Model | 5204 |
|---|---|
| Materiál | Hliník, Vnitřní konstrukce, : , Array |
| Tloušťka dveří | | 37 – 42 mm | 38 – 63 mm | 38 – 51 mm |
| Pro typ dveří | | Požárně odolné a kouřotěsné dveře | Objektové dveře | Únikové dveře, Požárně odolné a kouřotěsné dveře |
| Rozteč | | 72,00 mm | 78,00 mm |
| Norma | Testováno v souladu s DIN EN 1906:2012 |
| Požární odolnost | | Ano | Ne |
| Barva/povrchová úprava | elox, Barva stříbra |
| Typ sady dveřních klik | | WC sada s indikátorem | PZ výměnná sada s plochou koulí | PZ sada |
| Rozsah použití | Kategorie použití 4 |
| Klasifikace v souladu s EN 1906 | 4|7|–|D1|1|5|0|B |
| Vhodnost podle EN 179 | Ano |
| Ložisko | Otočně uložená klika v krátkém štítu, s pružinou, bezúdržbové kluzné ložisko a bezpečné upevnění skrytými šrouby |