




1 Pár dveřních klik se 2 rozetami kliky a čtyřhranem 8 x 112 mm
1 Pár BB rozet
4 Závitové šrouby se zápustnou hlavou M5 x 50 mm





| Materiál | Nerez, Vnitřní konstrukce: Ocel |
|---|---|
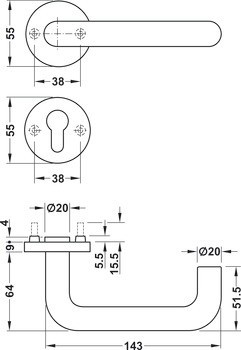
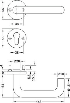
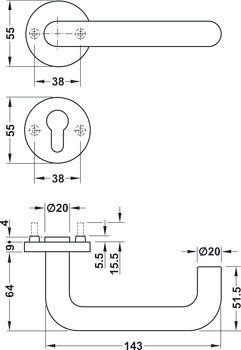
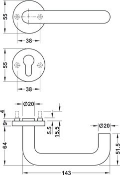
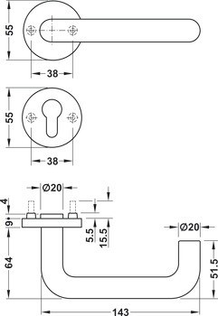
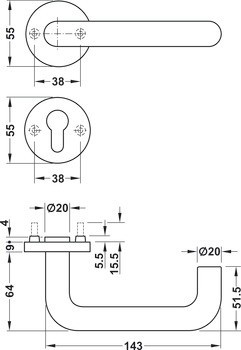
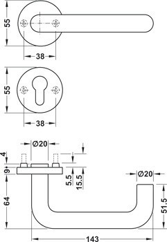
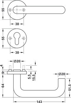
| Tloušťka dveří | | 38 – 42 mm | 35 – 50 mm |
| Pro typ dveří | | Požárně odolné a kouřotěsné dveře | Objektové dveře | Únikové dveře, Požárně odolné a kouřotěsné dveře |
| Norma | Testováno v souladu s DIN EN 1906:2012 |
| Poznámka | * při použití červíku pro pevné spojení kliky s otvorem pro čtyřhran ke čtyřhranu |
| Požární odolnost | | Ano | Ne |
| Barva/povrchová úprava | Matné, Satinováno |
| Typ sady dveřních klik | | WC sada s indikátorem | BB sada | PZ výměnná sada s plochou koulí | PZ sada |
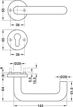
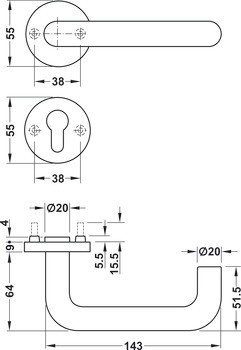
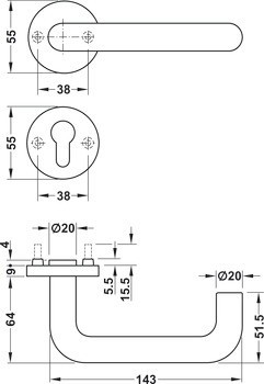
| Délka kliky | | 143,00 mm | 143,0 mm |
| Hloubka kliky | | 65,00 mm | 65,0 mm |
| Rozsah použití | Kategorie použití 4 |
| Průměr rozety | | 55,00 mm | 55,0 mm |
| Klasifikace v souladu s EN 1906 | | 4|7|–|0|1|5|0|A | 4|7|–|C1|1|5|0|A |
| Vhodnost podle EN 179 | Ano | Ne |
| Ložisko | Otočně uložená klika v rozetě, s pružinou |