




2 Kliky s otvorem pro čtyřhran, 1 čtyřhran 8 x 115 mm
1 Pár rozet kliky
1 Pár BB rozet
2 Závitové šrouby M5 x 55 mm, 2 vruty do dřevotřísky 4 x 50 mm





| Model | |
|---|---|
| Materiál | Nerez |
| Tloušťka dveří | | 40 – 45 mm | 40 – 65 mm |
| Pro typ dveří | | Požárně odolné a kouřotěsné dveře | Objektové dveře |
| Norma | Testováno v souladu s DIN EN 1906:2012 |
| Požární odolnost | | Ano | Ne |
| Barva/povrchová úprava | Matné |
| Typ sady dveřních klik | | WC sada s indikátorem | BB sada | PZ výměnná sada s plochou koulí | PZ sada |
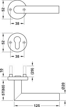
| Délka kliky | 125,00 mm |
| Hloubka kliky | 60,00 mm | 57,00 mm |
| Rozsah použití | Kategorie použití 4 |
| Průměr rozety | 52,00 mm |
| Klasifikace v souladu s EN 1906 | | 4|7|–|0|1|5|0|A | 4|7|–|D1|1|5|0|A |
| Vhodnost podle EN 179 | | Ne |
| Ložisko | Otočně uložená klika s vratnou pružinou, bezúdržbové kluzné ložisko, quick-fit montáž s kulovým zamykacím mechanismem |