




2 kliky s otvorem pro čtyřhran
1 pár rozet kliky
1 čtyřhran 8 x 100 mm
1 pár BB rozet
4 vrutů do dřevotřísky 4 x 50 mm
8 vrutů do dřevotřísky 3,9 x 19 mm





| Materiál | Nerez, Vnitřní konstrukce: Plast |
|---|---|
| Montáž | Pravé | Levé |
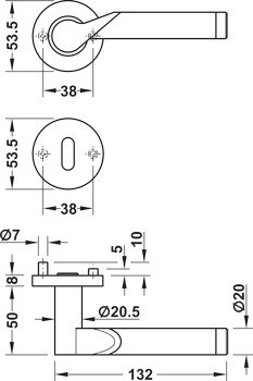
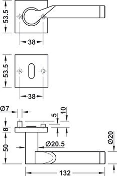
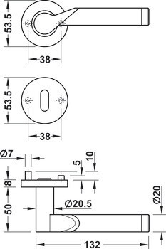
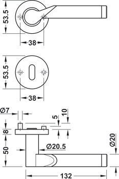
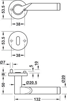
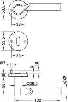
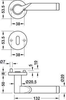
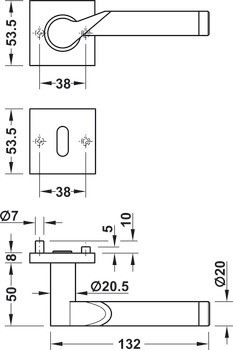
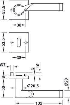
| Tloušťka dveří | 38 – 42 mm |
| Norma | Testováno v souladu s DIN EN 1906:2012 |
| Barva/povrchová úprava | leštěné/matné |
| Typ sady dveřních klik | | WC sada s indikátorem | BB sada | PZ výměnná sada s plochou koulí | PZ sada |
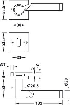
| Délka kliky | 132,00 mm | 132.00 mm |
| Hloubka kliky | 50,00 mm | 50.00 mm |
| Rozsah použití | Kategorie použití 2 |
| Průměr rozety | 53,50 mm | 53.50 mm |
| Klasifikace v souladu s EN 1906 | 2|6|–|0|0|3|0|B |
| Ložisko | Otočně uložená klika v rozetě, s pružinou |