




2 kliky s otvorem pro čtyřhran se 2 PZ dlouhými štíty a čtyřhranem 8 x 109 mm
3 závitové šrouby M5 x 50 mm





| Materiál | Nerez, Vnitřní konstrukce: Ocel, Plast |
|---|---|
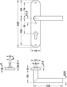
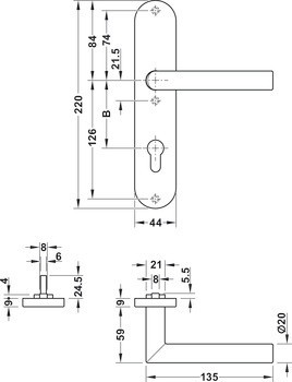
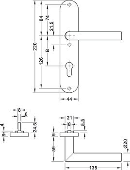
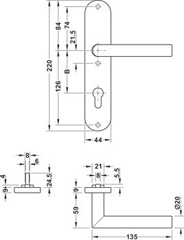
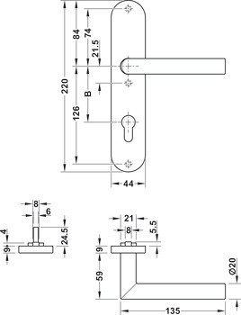
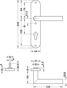
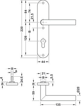
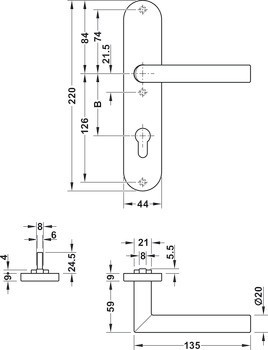
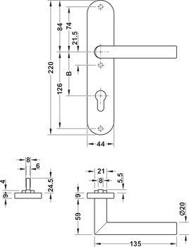
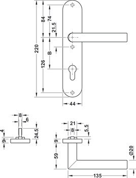
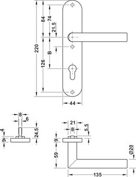
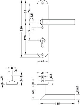
| Tloušťka dveří | | 37 – 42 mm | 38 – 63 mm |
| Pro typ dveří | | Požárně odolné a kouřotěsné dveře | Objektové dveře |
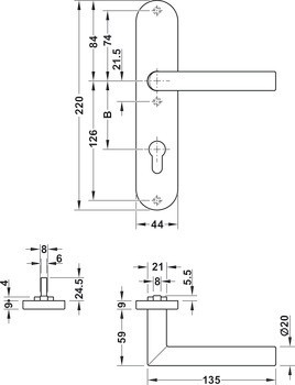
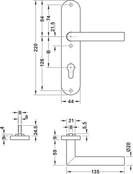
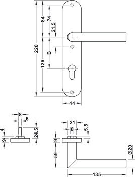
| Rozteč | | 72,00 mm | 78,00 mm |
| Norma | Testováno v souladu s DIN EN 1906:2012 |
| Požární odolnost | | Ano | Ne |
| Barva/povrchová úprava | Matné |
| Typ sady dveřních klik | | WC sada s indikátorem | PZ výměnná sada s plochou koulí | PZ sada |
| Rozsah použití | Kategorie použití 4 |
| Klasifikace v souladu s EN 1906 | 4|7|–|C1|1|5|0|B |
| Ložisko | Otočně uložená klika v dlouhém štítu, s pružinou, bezúdržbové kluzné ložisko a bezpečné upevnění skrytými šrouby |