




1 externí modul R2 s procesorem
1 interní modul R2



| Barva/povrchová úprava | Matný |
|---|---|
| Rozsah použití | Pro externí hotelové dveře (venkovní verze) | Pro vnitřní hotelové dveře |
| Materiál | Nerezová ocel |
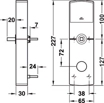
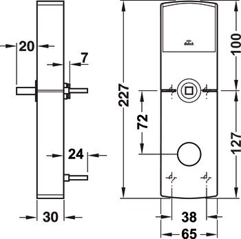
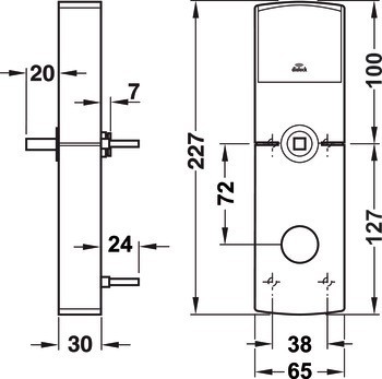
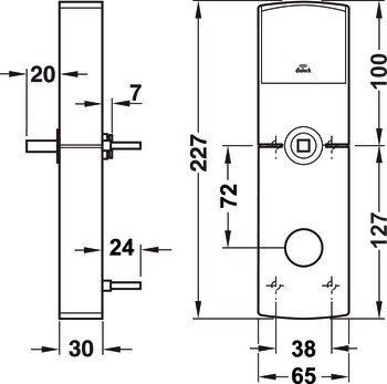
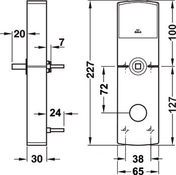
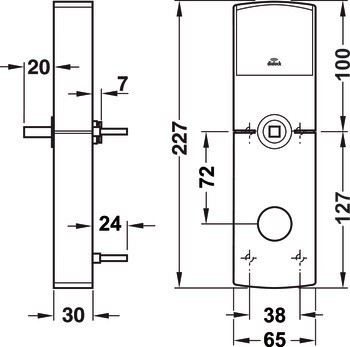
| Funkčnost | provoz na baterii, inteligentní dveřní terminál, bezkontaktní aktivace kartou Dialock- Indikace odemykání a zamykání pomocí modré/červené LED- Interní modul ve dveřním štítu s otočnou knobkou, s níž může být funkce "Nerušit" indikována blikáním na externím modulu- Dveře lze zevnitř kdykoli otevřít bez klíče- elektronické nouzové otevření je možné- pro servisní personál: indikace stavu programování a potřeby výměny baterie- s hodinami a záznamem všech procedur, včetně elektronického nouzového otevření- Infračervené rozhraní pro programování |
| Technologie transpondéru | Tag-it™-ISO® |
| Typ produktu | | Externí modul pro kliku směřující vlevo | Externí modul pro kliku směřující vpravo |
| Možnosti | Přední fólie s přizpůsobeným designem|Makra pro rozšíření funkcí jsou k dispozici na požádání|Mechanické nouzové otevření s jednostrannou profilovou vložkou|Protokol událostí mechanického nouzového otevření přes zadlabací zámek s monitoringem|Kliky v sortimentu Dialock, barevně přizpůsobené (speciální povrchová úprava na vyžádání) |
| Rozsah použití | Interiérové dveře hotelového pokoje, Dveře se standardními požadavky | Vchodové dveře hotelového pokoje (venkovní verze), Dveře se standardními požadavky |