




Kompletní dveřní zavírač s kluznou lištou





| Verze | | Bez funkce aretace v otevřené poloze | S funkcí aretace v otevřené poloze |
|---|---|
| Barva/povrchová úprava | | Zlatá barva | Černý, matný | Barva stříbra |
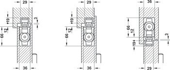
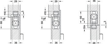
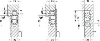
| Rozsah použití | Dveřní zavírač a kluzná lišta pro skrytou montáž |
| Pro tloušťku dveří | ≥46 mm |
| Montáž | Pro použití na DIN levé a DIN pravé straně |
| Úhel otevření | ≤115 ° |
| Pro šířku dveří | ≤1,100 mm |
| Norma | Certifikováno v souladu s EN 1154:1996/A1:2002 |
| Třída | | 3|8|2 – 4|1|1|3 | 3|8|2 – 4|0|1|3 |
| Pro počet dveří | 1křídlé dveře |
| Zavírací síla | 2–4 v souladu s EN 1154 |
| Požární odolnost | Ano |