









| Verze | s mechanismem tlumeného dotahu |
|---|---|
| Barva/povrchová úprava | | Zinek | Pozink, Zinek |
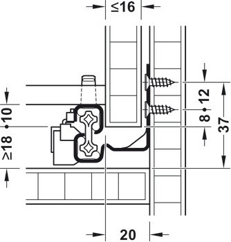
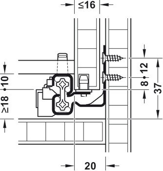
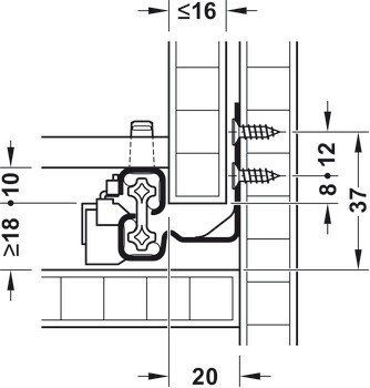
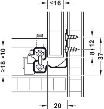
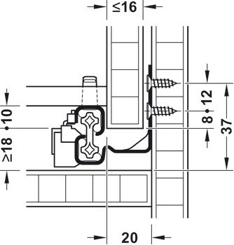
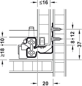
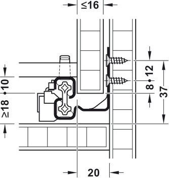
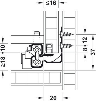
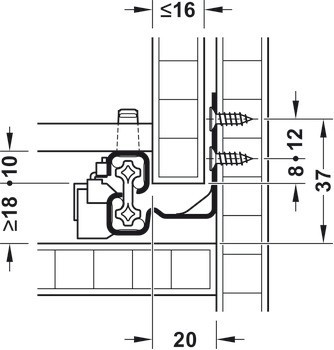
| Montáž | k přišroubování na boční panel |
| Materiál | Ocel |
| Vlastnosti | | S mechanismem dotahu | s mechanismem dotahu |
| Model | | S30 |
| Modely | | Matrix Runner UM |
| Princip funkce | | Mechanismus tlumeného dotahu | Mechanismus dotahu s mechanismem tlumeného dotahu |
| Nosnost | | 30,00 kg | 30.00 kg | 30,0 kg |
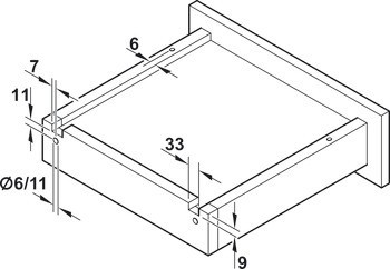
| Způsob vysunutí | | Plnovýsuv |
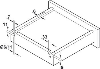
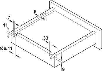
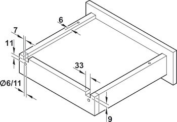
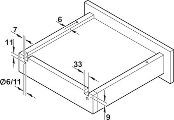
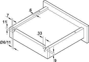
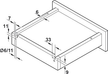
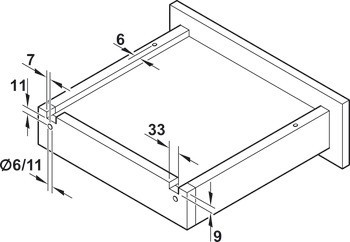
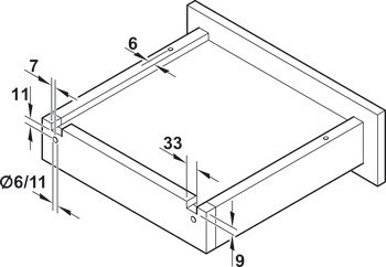
| Výsuvná délka | | 255.00 mm | 436,00 mm | 184,00 mm | 405.00 mm | 305.00 mm | 310.00 mm | 386.00 mm |
| Délka zásuvky | | 300,00 mm | 250,00 mm | 400,00 mm | 450.00 mm | 350,00 mm | 550,00 mm | 300.00 mm | 400.00 mm | 500.00 mm | 270.00 mm | 350.00 mm | 550,0 mm |
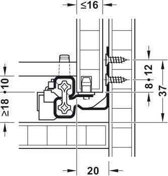
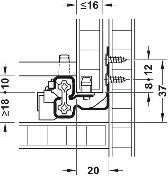
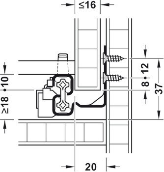
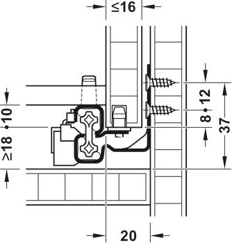
| Hloubka korpusu | 263,00 mm | 563,00 mm | 283.00 mm | 313.00 mm | 363.00 mm | 413.00 mm | 513.00 mm | 463.00 mm |
| Pro světlou hloubku korpusu min. | 263,00 mm | 563,00 mm | 283.00 mm | 313.00 mm | 363.00 mm | 413.00 mm | 513.00 mm | 463.00 mm |
| Pro hloubku korpusu | | 413,00 mm | 263,00 mm | 313,00 mm | 363,00 mm | 283.00 mm | 463.00 mm | 563,0 mm |