






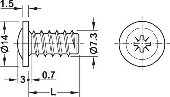
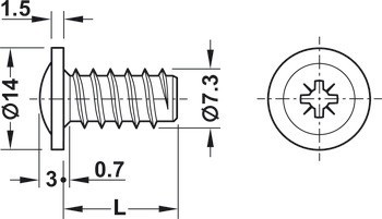
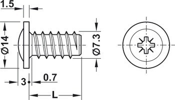
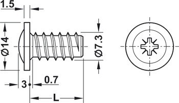
| Materiál | | Ocel |
|---|---|
| Průměr závitu | | 7,30 mm |
| Délka | | 12,00 mm | 14,00 mm |
| Typ hlavy | | Plochá hlava |
| Drážka | Křížová drážka PZ | |
| Závit | Plný závit | |
| Barva/povrchová úprava | | Zinek |
| Obalová jednotka | Orga-Box |
| Rozsah použití | | pro přišroubování do plastu |
| Pro průměr vrtaného otvoru | | 6,00 mm |