








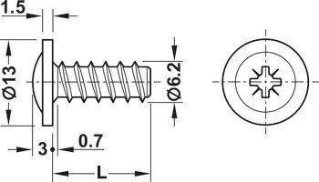
| Materiál | Ocel |
|---|---|
| Průměr závitu | 6,20 mm |
| Délka | | 15,00 mm | 19,00 mm | 27,50 mm |
| Typ hlavy | Plochá hlava |
| Drážka | Křížová drážka PZ |
| Závit | Plný závit |
| Barva/povrchová úprava | Zinek |
| Obalová jednotka | Orga-Box |
| Rozsah použití | Pro šroubování do dřeva |
| Pro průměr vrtaného otvoru | 5,00 mm |