





| Verze | | Se zvedacím panelem |
|---|---|
| Barva/povrchová úprava | | Pozink táhlo centrálního zámku, lesklé ložisko k přišroubování, černá zamykací jednotka |
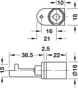
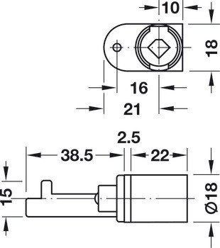
| Rozsah použití | | Pro zámkové vložky Symo 3000 STW a PLW, které se montují zepředu až na místě realizace |
| Montáž | | k přišroubování |
| Materiál | | odlitek ze zinku |
| Tvar vložky | | připraveno pro kruhovou vložku |
| Průměr vložky | | 18,00 mm |
| Klíč je obsažen | | Ne |
| Dráha zamykání | | 180° (vpravo) |
| Délka těla vložky | | 22,00 mm |